7+ dd15 coolant lines diagram
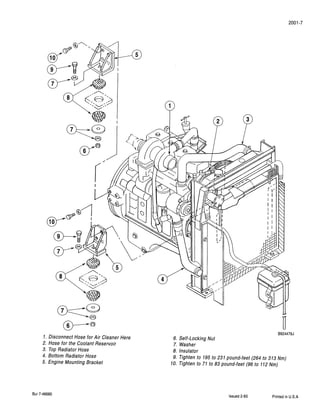
Dd15 coolant lines diagram. Vent line from top of the EGR cooler 13.
Coolant High Pressure Temporary Fix On Freightliner Cascadia Dd15 Youtube
Get your genuine OEM DDE A4722000152 Detroit Coolant Line Fuel Module to Air Compressor DD15 at Diesel Dash an authorized diesel parts dealer.

. Instant PDF download to your computer tablet or smartphone. Insert about a half gallon of Prep Fluid. Remove the vent line from the top of the EGR cooler.
Click here to get started. Coolant hose at the engine air compressor Discussion in Freightliner Forum started by robertom224 Aug 25 2016. Ad Service troubleshooting and wiring for 2007-2016 Detroit DD131516 engines.
Detroit Coolant Line Fuel Module. This guide covers how to read and use this diagram colored. If there is a transmission cooler and a coolant hose source connection from the engine open the hose and blow air toward the transmission cooler.
Aug 25 2016 1. Product Information The Coolant Line connects two components and moves fluids from one component to another. Using the Water Chaser blow air into the engine through the EGR vent until no coolant comes.
The Electrical Circuit Diagram can easily help you with any maintenance that you may need to do for Detroit EPA10 DD15.
Freightliner Dd13 Dd15 Won T Accelerate Past 55 Mph Otr Performance Inc
27 Freightliner Trucks Service Manuals Free Download Truck Manual Wiring Diagrams Fault Codes Pdf Free Download
Mpr Tools Equipment Catalog Canada By Jessee Bourque Issuu
Amazon Com Ddtp Hk23506325d Detroit Diesel S60 12 7l 2 75 X 3 4 Ply Coolant Hose With Clamps Automotive
J A G U A R X Type 2 0 2 2 D Hose Intercooler C2s26988 4x439p931aa Amazon De Automotive
Detroit After Treament Support Demand Detroit
Truck Air Compressors Explained Trucksales Com Au
Detroit Def Scr Tests Diesel Repair
How An Aftertreatment System Works Cummins Inc
Coolant Hose 2 75 X3 For Detroit Diesel Series 60 Water Pump To Oil Cooler Ebay
316 1179 Lines Gp Fuel S N 4441 Up Also An Attachment C4 4 Engine Machine Avspare Com
Freightliner Cascadia Radiator Hoses Clamps Truckid Com
Schematic Of Navistar Maxxforce 13 Heavy Duty Dual Fuel Compression Download Scientific Diagram
How To Remove And Replace Freightliner Cascadia Def Coolant Hose Def Line Supply Over Rail Youtube
Shaft Design An Overview Sciencedirect Topics
Frequently Asked Questions About Transmission Coolers Etrailer Com
Freightliner Cascadia Dd13 Dd15 Dd16 Coolant Leak Om 471 Om 472 Om 473 Youtube